Підлоговий конвектор Carrera FRH/FR2H
Детальний опис Підлоговий конвектор Carrera FRH/FR2H
Пропонуємо виріб українського виробника, що добре зарекомендував себе на ринку - конвектор підлоговий Carrera FRH/FR2H. Опалювальне обладнання такого типу можна успішно використовувати для обігріву як житлових приміщень, так і офісів, торгових центрів, спортивних комплексів із панорамним склінням.
Розташований на підлозі біля вітражного вікна, конвектор за рахунок природної конвекції здатний гарантовано створювати спрямований потік теплого повітря. За мінімальних витрат на енергоносій можна зробити в приміщенні різного використання максимально комфортабельний мікроклімат. Якщо потрібно обігрівати кімнату з панорамним склінням значних розмірів, можна встановити кілька штук таких нагрівальних приладів, з'єднавши їх схемою паралельного підключення теплоносія.
Модельний ряд підлогових конвекторів Каррера
У нас можна купити підлогові конвектори Carrera за прийнятною ціною у таких виконаннях:
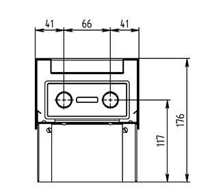
Модель Carrera FRH – стандартна конструкція з одним теплообмінником.
Одна із найнижчих моделей опалювальної техніки. Висота конвектора 175 мм з урахуванням ніжки 76 мм. Ширина приладу складає – 148 мм.
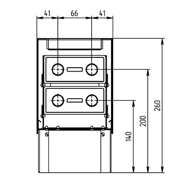
Модель Carrera FR2W – з двома вертикальними теплообмінниками.
Достатньо потужний, але вузький підлоговий конвектор, досягає своїх показників за рахунок 2-х теплообмінників розташованих вертикально. Висота - 246 мм з урахуванням ніжки 76 мм та ширина приладу дорівнює 148 мм.
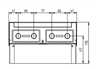
Модель Carrera FR2H – посилений варіант, обладнаний двома теплообмінниками.
Низький опалювальний прилад із двома теплообмінниками. Висота конвектора лише 176 мм, при ширині 290 мм.
| Carrera FRH | Carrera FR2W | Carrera FR2H |
![]() |
![]() |
![]() |
| Тепловіддача FRH в різних температуних режимах | Тепловіддача FR2W в різних температурних режимах | Тепловіддача FR2H в різних температурних режимах |
Конструкційні особливості
Основу підлогових конвекторів Carrera FRH/FR2H складають корпуси, виготовлені з тонких сталевих листів, обладнані антивібраційним кріпленням. Усередині нього розташований один або два мідно-алюмінієві теплообмінники. На такому опалювальному приладі встановлено дві ніжки. З їх допомогою не тільки забезпечується стійкість виробу, але й здійснюється підведення до пристрою нагріву.
Вироби характеризуються вишуканим дизайном, високим рівнем якості виробництва, значною економією споживання енергії, безпекою.
З чого складається підлоговий конвектор Carrera FRH/FR2H:
- Рама конвектора
- Мідно-алюмінієвий теплообмінник, діаметр 22 мм
- Сталевий короб товщиною 1мм
- Декоративна решітка
- Ніжки
- Заглушка
- З'єднання 1/2 із зовнішнім різьбленням
Монтаж
Для монтажу конвектора необхідно розмітити місце установки - зняти кожух з конвектора - розмістити раму з теплообмінником і виконати гідравлічне підключення (для встановлення рекомендується використовувати термостатичні клапани та гнучкі шланги розміром 1/2") - зафіксувати конвектор фіксуючими болтами - установити. Після підключення потрібно зробити гідравлічне випробування.
Варіанти стандартних кольорів підлогових конвекторів Carrera FRH/FR2H
- Колір базовий (без націнки) - корпус Білий + решітка Сатин
- Стандартні кольори (+10%): Чорний, Сатин, Слонова кістка
- Будь-який колір по Ral (+25%)

Жива галерея
Характеристики товара Підлоговий конвектор Carrera FRH/FR2H
Переглянути цей товар
Поділитися своїми думками з іншими клієнтами


