Купівля внутрішньопідлогового конвектора відповідальна і дорога справа, клієнти хочуть заздалегідь знати, з якими задачами вони зіткнуться, коли настане час встановлення внутрішньопідлогового конвектора у своїй квартирі або приватному будинку, ми опишемо основні моменти монтажу даних батарей, особливістю яких є установка в підлогу.
Першим завданням для монтажу внутрішньопідлогового конвектора є підготовка ніші в підлозі. Також конвектори, які планується ховати в підлогу, можуть монтуватися в фальш підлогу, тобто не в бетонну стяжку, а наприклад в дерев'яний подіум. У такому випадку конвектор обов'язково кріпиться за допомогою регулювальних болтів та анкерних кріплень.
Візьмемо найпоширеніший вид установки внутрішньопідлогової батареї, це бетонну стяжку. Для того, щоб конвектор був встановлений правильно і без проблем, необхідно створити під нього нішу.
Монтажні розміри ніши під конвектор: Глибина +10 мм | Ширина +10-15 см | Довжина +5-10 см
Розташування внутрішньопідлогового конвектора до вікна з природною конвекцією універсальна, конвектор можна підключати лівостороннє і правостороннє, його можна розвернути, так як теплообмінник знаходиться посередині. Якщо теплообмінник ближче до краю конвектора, то розміщуйте таким чином, щоб теплообмінник знаходився ближче до кімнати.

Розташування внутрішньопідлогового конвектора до вікна з примусовою конвекцією за замовчуванням вважається з лівостороннім підключенням, якщо конвектор необхідно підключити праворуч, це необхідно вказувати при замовлення чи купівлі. На заводі виробника роблять виходи під праву сторону. Теплообмінник має бути з боку вікна.
Детальніше про варіанти стикування з покриттям для підлоги у статті...
Гнучке під'єднання - підключення на гнучких шлангах. Перевагами гнучкого підключення є простота прибирання вбудованого конвектора в підлогу, так як завжди є можливість підняти теплообмінник і усунути сміття та пил, а також на гнучких шлангах зручно підключатися до системи опалення, якщо підведення труб заходить до конвектора не зовсім правильно, тоді за рахунок шлангів можна допустити похибку та вирівняти стик. Внизу даної сторінки ви можете подивитися відеоролик по прибиранню за внутріпольним конвектором.
Жорстке підключення - підключення за допомогою подавального клапана, це може бути ручний радіаторний кран, кульовий кран, термостатичний клапан, на зворотку встановлюється зворотний, запірний клапан. Жорстке підключення більш надійне, менший ризик того, що система почне текти, ніж через гнучкі шланги, які мають менший термін експлуатації ніж труби, які не рухаються. Приклади монтажу внутрішньопідлогових конвекторів можна подивитися нижче, у вигляді фотогалереї.
Яке б ваш монтажник підключення не вибрав, кожне має свої переваги та недоліки. Головним фактором надійності є якість установки і підключення самим установником. Ну і звичайно, якісні матеріали.
Підключення з сервоприводом або термоголовкою з виносним датчиком - провівши гідравлічне приєднання, у разі потреби, якщо необхідно керувати конвектором, то додатково підключаємо автоматику, термоголовка з виносним датчиком або сервопривід і термостат під нього, за допомогою чого в автоматичному режимі клапан відкривається або за клапан від встановленої температури у приміщенні.
Система автоматичного регулювання конвектора без вентилятора не завжди ефективна, оскільки необхідно чітко дотримуватись інструкцій заявлених виробником, в іншому випадку автоматика не ефективно регулюватиме конвектор.
Регулятор вимірює температуру в приміщенні за допомогою вбудованого датчика та підтримує задане значення температури. Коли температура в приміщенні впаде нижче за задане значення на термостаті, термічний сервомотор відкриє клапан. Кімнатний регулятор температури повинен бути розташований таким чином, щоб вимірювання температури було якомога точніше, без впливу сонячного випромінювання або джерел тепла та холоду. Монтаж повинен здійснюється на висоті близько 1,5 м над підлогою. Заборонено встановлювати термоголовку у самому внутрішньопідлоговому конвекторі
Тут ми представляємо схематичні малюнки підключення внутрішньопідлогових конвекторів із системою опалення.
Якщо у вас конвектор з вентилятором, додатково необхідно підключити електрику до конвектора, щоб була можливість керувати вентиляторами. До кожного конвектора купується додатковий модуль конвектора, у народі називається трансформатором, куди необхідно завести 220 В, а від нього вже йде 220 В на вентилятори або 12 В, залежно від виробника. Також за допомогою цього модуля здійснюється керування кімнатним термостатом і навпаки. Термостат автоматично дає команду увімкнути вентилятор, якщо температура в приміщенні впаде нижче заданої на термостаті. Кімнатний термостат вимірює температуру в приміщенні за допомогою вбудованого датчика та підтримує її значення на рівні заданої величини. Паралельно з цим кімнатний регулятор може керувати сервоприводами, а також регулювати швидкість обертання вентилятора. Про це ви можете прочитати в статті про управління внутрішньопідлоговими конвекторами.

Якщо ви категорично не хочете, щоб модуль конвектора був поза конвектором, тоді можете розглянути конвектори Kermi, їх модулі монтуються прямо в короб конвектора. (Або придбати модуль, який йде із захистом від вологи та пилу).
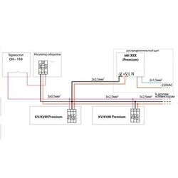
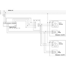
На наступних скріншотах, ви можете подивитися кілька схем підключення електричної частини внутрішньопідлогового конвектора. Дані схеми наочні, використовуються для різних виробників підлогових конвекторів, обов'язкове узгодження схеми з електриком або спеціалістом. У кожного виробника свої модулі, свої рекомендовані кімнатні термостати, тому ви повинні відштовхуватися від виробника. Запит точної схеми можете оформити у наших фахівців, які її вам нададуть.
Завершальним елементом внутрішньопідлогового конвектора є елегантні грати. Вони може бути без рамки, може бути з рамкою (U образна і F образна). Дерев'яні ґрати можуть виготовлятися виключно з натуральної деревини. Для захисту решітки, виготовленої з дерева, рекомендується застосовувати моріння та лакування. Алюмінієві грати більш зносостійкі, тому що складаються з алюмінію та проходять процес анодування. Часто клієнти запитують які грати більш міцні, насправді всі решітки міцні, дерев'яні та алюмінієві, витримують навантаження від 40 кг на одну планку. Єдиний момент, що дерев'яна більш схильна до зовнішнього зносу, тобто більш видні будуть затирання від ходьби по ній, і більш марка так як це дерево.
[vk_ramka]
Всі виробники додатково пропонують варіант конвектора з декоративною рамкою, обрамлення, для того щоб закрити стики між покриттям підлоги і самим конвектором в підлозі. Як і скрізь є свої переваги та недоліки. Перевага використання декоративної рамки в конвекторі, це закриття стиків, часто плиточники не зовсім ідеально підводять плитку до конвектора, залишаються зазори і щілини. Тоді й допомагає обрамлення. Воно існує двох видів, U-образне і F-образне. U образне менш помітне, так як не лягає на покриття для підлоги, а F образне лягає зверху, має ширину 5-10 мм, тим самим повністю приховує стик між конвектором і підлогою. Але в такому випадку грати трохи вище підлоги, тобто утворюється невеликий підйом. Якщо ж без рамки, то підлога, конвектор та грати мають бути на одному рівні.
Вартість монтажу та встановлення внутрішньопідлогового конвектора складає приблизно 100 дол. США в залежності від складності робіт, які оцінює монтажник.
В інтернеті з кожним разом все більше відео роликів про монтаж і підключення внутрішньопідлогових конвекторів, ми підібрали на даний момент найінформативніші і зрозуміліші. Приємного перегляду.