9/9

Carrera 4SV2 - внутрипольный конвектор с 2 теплообменниками

4SV2B24dc_28/100/11
Наведите на картинку для увеличения
10% скидки на все конвекторы ТМ Каррера
24 642,86  грн.
22 178,57  грн.
Вы экономите: 2 464,29  грн. (10%)
+
БрендCarrera Глубина конвектора110мм Теплоотдача 1278Вт Тип конвекцииПринудительная конвекция Ширина280мм Длина С1000 мм Комплектациябез решетки Страна ПроизводительУкраина
Доставка
Варианты оплаты
Наши преимущества

Подробное описание Carrera 4SV2 - внутрипольный конвектор с 2 теплообменниками

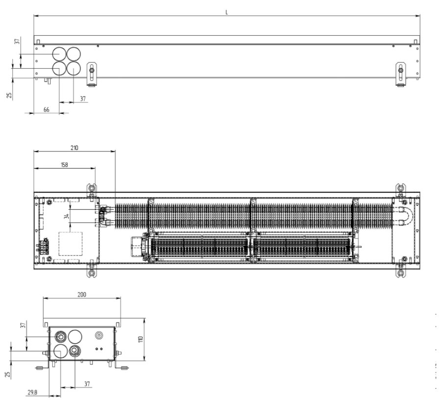
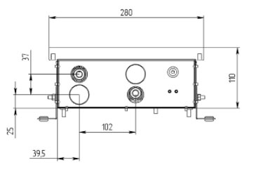
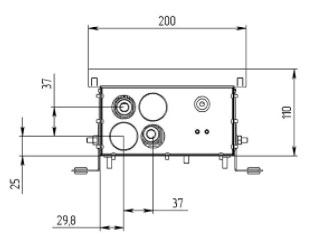
Внутрипольный конвектор Carrera 4SV/4SV2 - модель фанкойла с принудительной конвекцией с уменьшеной шириной корпуса. Стандартно корпус данного прибора изготовляется из стали окрашенной в черный цвет (наличие на складе) - такой вариант пользуется популярность по причине меньшей просматриваемости внутриностей конвектора через решетку. По желанию клиента возможно исполнение из нержавеющей стали или алюминия (толщина стенки 2 мм). Высота корпуса может составляет 110 мм. Отверствия для подключение фанкойла к системе отопление выполнено с трех сторон, с помощью регулировочных болтов можно выравнивать высоту при монтаже.

Алюминиевые решетки Каррера могут быть исполнены в цвете Сатин (анодировка без наценки), окрашены в 8 стандартных цветов (+10%) или любой цвет палитры Ral с доплатой (+25%).
4SV 4SV2

Теплоотдача при разных режимах

 Теплоотдача при разных режимах

 

Теплообменник+вентилятор КаррераВ данной линейке конвекторов используются теплообменники, которые проходят выходной контроль, состоят из медных труб с алюминиевыми пластинами. Для изготовление теплообменников Carrera 4SV/4SV2 используются материалы европейского производства. Кассетное крепление объединяет внутренние части конвектора (вентилятор + теплообменник) и позволяет легко их снимать для уборки или обслуживания прибора.

Компания Каррера использует самые тихие вентиляторы среди украинских производителей с эффективным двигателем 24 В. При использование термостата Carrera FT происходит плавное регулирование скоростей вентилятора от 0 до 100% (10 скоростей), при использование других термостатов обычно предусмотрено 3 скорости. Все приборы ТМ Каррера подкреплены лабораторными испытаниями по теплоотдаче и уровню шума и протоколами качества. Напряжение 24 Вольта гарантирует безопасность применения радиатора в стандартных бытовых условиях.

Технические данные:

  • Регулировка высоты при монтаже - до 40 мм
  • Подключение с левой стороны - 1/2" (под заказ правое подключение) с условием, что вентилятор находится со стороны комнаты
  • Давление: рабочее - 10 бар, испытуемое - 16 бар
  • Гарантия: на короб/теплообменник - 10 лет, электрические части - 2 года

Схема подключения с термостатом Mycond (24V) и Carrera FT 

Схема подключения с термостатом Mycond(0-10V, 230В)

Схема подключения с термостатом Mycond Block (Fan 0-10V, 24VDC)

 

Характеристики товара Carrera 4SV2 - внутрипольный конвектор с 2 теплообменниками

Бренд:
Carrera
Глубина конвектора:
110 мм
Теплоотдача :
1278Вт
Тип конвекции:
Принудительная конвекция
Ширина:
280 мм
Длина С:
1000 мм
Комплектация:
без решетки
Страна Производитель:
Украина
Найти похожие
Отзывы