9/9
Фильтры товаров
Бренд (1)
Цена

грн.  –  грн.

  • 4540 грн.
  • 110919 грн.
Тип конвекции
Длина
    Показать всеСпрятать (58)
Ширина
    Показать всеСпрятать (43)
Глубина конвектора
    Показать всеСпрятать (26)
Подробная консультация по продукции:
подбор, теплоотдача, цены
Отправьте нам план помещения
salon-tepla@ukr.net | получите ком. предл.
Подготовим 3 ком. предложения по вашему запросу.
Эконом | Стандарт | Премиум

 

Конвекторы Hitte

БрендHitte Глубина конвектора65мм Теплоотдача 101Вт
БрендHitte Глубина конвектора65мм Теплоотдача 549Вт
БрендHitte Глубина конвектора125мм Теплоотдача 700Вт

Конвектори производства ТМ Hitte

Завод Хитте, который находится в Чехии, опираясь на западноевропейские стандарты и растущие цены на энергию, занялся производством продуктивных внутрипольных конвекторов. Экономия места, эстетичность и эффективность данных приборов позволяет их устанавливать в любых типах помещений, с самым разнообразным дизайном, особенно в домах с остеклением до пола.

Внутрипольные конвекторы Hitte работают по принципу физицеского процесса – конвекции. Конвекция – перемещение воздуха связанное с разностью температруры, холодный воздух более тяжелый и опускается вниз, нагревается с помощью конвектора и поднимается вверх.

Фанкоил с естественной конвекцией ТМ Хитте это отопительный прибор, который встраивается в пол, что соответствует требованиям современных интерьеров. Подключается прибор к отопительной системе как обычный радиатор, и в первую очередь выполняет функцию тепловой завесы (отсекает холодный воздух от окна), справиться самостоятельно с отоплением он может только в случаи помещений с небольшой площадью. Принцип работы конвектора без вентилятора - теплоопроизводительность происходит за счет подачи горячей воды в теплообменник, нагрева происходит, путем забора холодного воздуха, который поступает от окна.

Комплектация конвекторов Hitte

Модельный ряд конвекторов Hitte

Широкий модельный ряд представлен:

  • 5 вариантов по высоте: 65 мм, 80 мм, 105 мм, 125 мм, 165 мм
  • 6 вариантов по ширине: 175 мм, 205 мм, 245 мм, 305 мм, 355 мм, 410 мм
  • длина: от 800 до 3000 мм с шагом 100 мм

Корпус конвектора может быть выполнен из нержавеющей стали или стали окрашенной в черный цвет.

Конвектор Хитте (Hitte) нержавеющая сталь Конвектор Хитте (Hitte) сталь окрашенная в черный цвет

Принудительная конвекция | Hitte

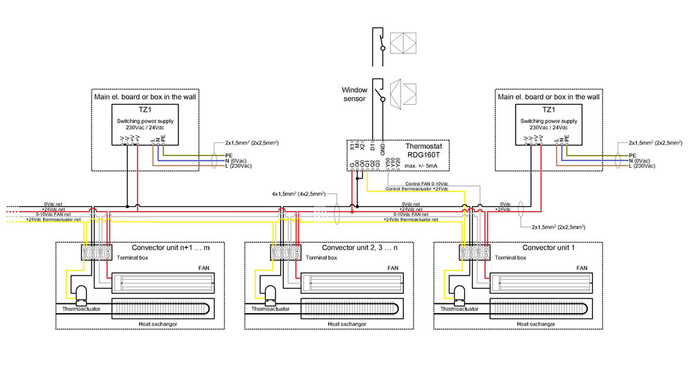
Конвектор Хитте FXX с вентиляторомКонвекторы принудительной конвекции Hitte дополнительно оснащены вентиляторами, с помощью которого нагрев и распространение воздуха происходит быстрее. Такой прибор отличается высокой теплопроизводительностью и может выступать как самостоятельный отопительный прибор даже для очень больших помещений. Для подключения и эффективной работы конвекторов с вентилятором необходимо доукомплектовать его термостатом и трансформатором.

Теплоноситель – вода. Вдоль медно-алюминиевого теплообменника установлен вентилятор. При включении (функция термостата Siemens RDG160), вентилятор принудительно вращается, обдувая теплообменник, тем самым может увеличивать мощность конвектора на 500%.

Низкий уровень шума работы вентилятора, безопасное рабочее напряжение вентилятора 24 V постоянного тока.

Модельный ряд:

  • Глубина: 65 мм, 80 мм, 105 мм, 125 мм, 165 мм
  • Ширина: 175 мм, 205 мм, 245 мм, 305 мм, 355 мм, 410 мм
  • Длина: от 800 до 3000 мм с шагом 100 мм
Электрический конвектор | Hitte

Данная модель конвектора используется только для сухих помещений, ее любят монтажники за то, что для ее подключения не требуется подвод воды, прибор работает от  сети (230 В). Тепло здесь вырабатывается благодаря электрическому теплообменнику, в комбинации с вентилятором (одна скорость) на выходе получаем мощный отопительный прибор.

Модельный ряд:

Глубина - 125 мм

Ширина: 245 мм или 305 мм

Длина: от 500-2000 мм

Решетки | Hitte

 Декоративные решетки являются неотъемлемой частью внутрипольных конвекторов. Это единственный видимый элемент, по этому дизайнеры и владельцы квартир особенно тщательно подходят к их выбору. В ассортименте ТМ Хитте представлены 2 типа решеток, которые отличаются по материалу исполнения и цвету.

Алюминиевые решетки ТМ Хитте: сатин, светлая бронза, темная бронза

Деревянные решетки ТМ Хитте: бук, ясень, дуб

 

Электрическая схема подключения фанкойлов Хитте

Схема подключения | Hitte

Производитель ТМ Хитте для подключения конвекторов с вентилятором рекомендует использовать терморегулятор Siemens RDG-160.