9/9

Термостат Ver 24

Наведіть на картинку для збільшення
18 877,55  грн.
+
БрендVerano Напруження24V КолірБілий
Доставка
Варіанти оплати
Наші переваги

Детальний опис Термостат Ver 24

Кімнатний термостат Ver 24 для внутрішньопідлогових конвекторів від польського бренду Verano

Регулятор температри Ver 24 має дуже широкий функціонал і стильний зовнішній вигляд, представлений в чорному і білому кольорі. За допомогою даної моделі відбувається керування роботою внутрішньопідлогового конвектора, а саме перемикання швидкостей вентилятора, відкриття/закриття сервоприводу для подачі теплоносія. 

Основні функції приладу:
  • Керування температурою 

У самому простому для користувача режимі достатньо виставити на термостаті температруру, яку Ви хочете, щоб підтримувалася в приміщення. Термостат залежно від наближення/віддалення до заданої температури сам визначає на якій швидкості працюватиме вентилятор, коли необхідна температура досягнута - термостат відключає вентилятори та закриває подачу теплоносія за допомогою сервоприводу.

  • Плавне регулювання обертів вентилятора

За допомогою цього приладу Ви можете вибрати необхідну швидкість вентилятора, зазвичай їх три, як і в інших більш простих моделях термостатів. Перевагою Ver 24 є те, що Ви самі у процентному співвідношенні можете задати кількість обертів для кожної швидкості. Наприклад, перша швидкість - 15%, друга - 37%, третя - 71%.

  • Плавне регулювання ступеня відкриття клапана (для подачі теплоносія)
  • Денний графік

За допомогою цієї функції дуже легко економити на опалення, адже ви можете запрограмувати прилад так, щоб він не працював під час вашої відсутності. Наприклад, ви йдете на роботу о 8-й ранку і повертаєтеся о 18-й, налаштуйте денний графік, щоб з 8 до 17 конвектор був відключений (не працювали вентилятори і був перекритий клапан для подачі теплоносія), а о 17-й все включилося і до вашого приходу було досягнуто зручна температура. Таким чином 9 годин на день ви не користуватиметеся опаленням не помічаючи цього.

  • Захист від дітей
Технічні дані:
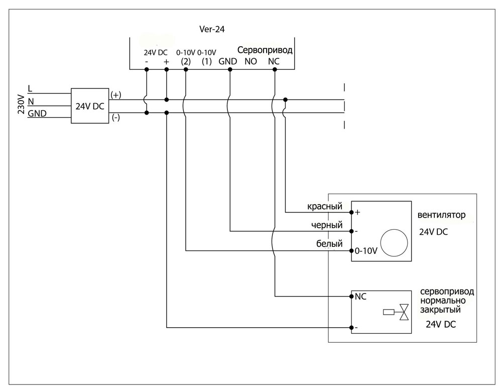
  • Живлення 24V
  • Вентилятор та сервопривід керується сигналом 0-10В
  • Діапазон температур: 5-40°C
  • Споживана потужність - 1,3 W
  • Розмір 124x86x19 мм (+ 25 мм для розетки)
  • Монтується на стіну

 

Характеристики товара Термостат Ver 24

Бренд:
Verano
Напруження:
24V
Колір:
Білий
Знайти схожі
Відгуки

Відгуків не знайдено

Переглянути цей товар

Поділитися своїми думками з іншими клієнтами

Написати відгук
Возможно вас заинтересуют