Внутрішньопідлоговий конвектор Carrera SEV (з вентилятором)
Детальний опис Внутрішньопідлоговий конвектор Carrera SEV (з вентилятором)
Carrera SEV - електричний внутрішньопідлоговий конвектор від торгової марки Каррера. Прилад підвищеної потужності за рахунок роботи вентилятора (примусова концекція) працює тільки від електромережі, без підведення теплоносія. Актуальне рішення для балконів, а також для приміщень, де немає можливості провести опалювальні труби.
З чого складається електричний внутрішньопідлоговий конвектор Carrera SEV
- короб - у стандартному виконанні ванна приладу виготовлена зі сталі, пофарбованої в чорний колір. На замовлення можна поміняти матеріал корпусу на нержавіючу сталь (Inox) або алюміній (Al)
- електричний теплообмінник - на відміну від стандартних конвекторів, де теплообмінник складається з мідної труби та алюмінієвих пластин, в даній моделі він повністю алюмінієвий з нагрівальними елементами, які працюють від мережі 220 В.
- вентилятор DC24V - вентилятори в пропонованому приладі оснащені потужними двигунами, що працюють від 24 В, що забезпечує тиху та ефективну роботу конвектора опалення.
Додаткова комплектація
Купуючи електричні конвектори також потрібно врахувати, що для завершеного зовнішнього вигляду та правильної роботи необхідно буде придбати:
- комплект рамка+решітка - декоративна складова опалювального приладу, яка вкладається в короб. Для електричних конвекторів Carrera SEV підходить решітка виготовлена з алюмінію, дерев'яні решітки не рекомендується використовувати через пожежну небезпеку.
- термостат - регулятор керування температурою нагрівання та швидкістю обертання вентиляторів.
- трансформатор - модуль керування, який перетворює струм
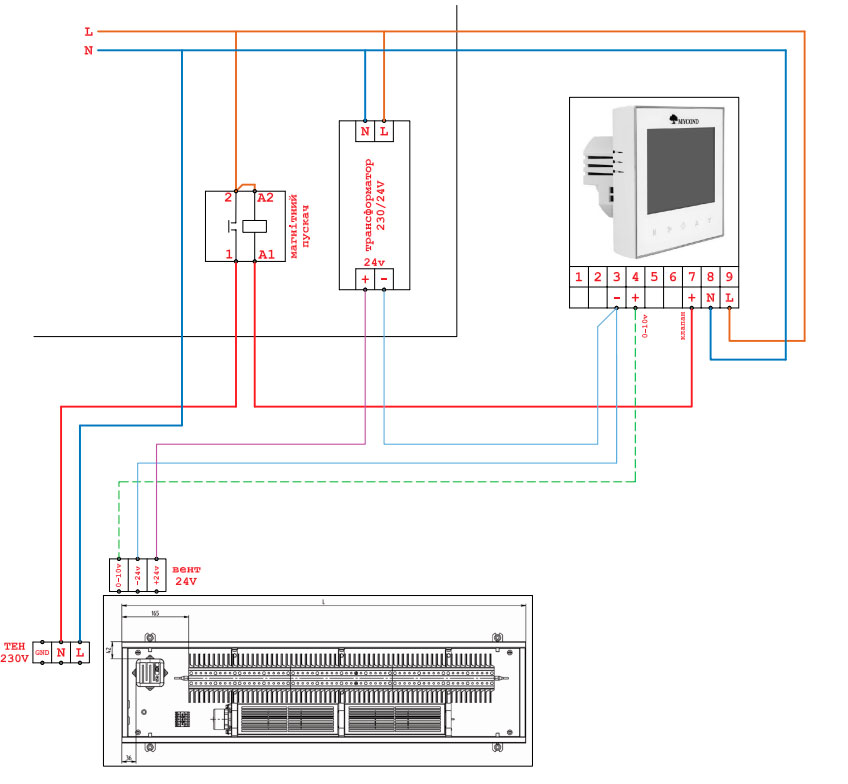
Схема підключення електричного конвектора SEV

Кожен прилад проходить тестування при виробництві та контроль на виході, що підтверджується гарантією від українського виробника. Всі технічні характеристики пройшли лабораторні дослідження та підтверджені відповідними протоколами.
Характеристики товара Внутрішньопідлоговий конвектор Carrera SEV (з вентилятором)
Відгуків не знайдено
Переглянути цей товар
Поділитися своїми думками з іншими клієнтами