9/9

Алюминиевый радиатор Fondital Aleternum B4 350

Aleternum B4 350-1
Наведите на картинку для увеличения
908,16  грн.
+
БрендFondital Высота (межось)350 мм Глубина97 Обогреваемая площадь14 Рабочее давление16 Секционность1 Теплоотдача 1373Вт Длина800 ЦветБелый Страна ПроизводительИталия
Доставка
Варианты оплаты
Наши преимущества

Подробное описание Алюминиевый радиатор Fondital Aleternum B4 350

Радиаторы Aleternum B4 – это топовые алюминиевые радиаторы концерна Fondital на сегодняшний день. Данные батареи включают в себя все передовые технологии, такие как структура с 5 боковыми ребрами. Эта конфигурация была специально разработана в ходе тепло- и гидродинамических испытаний и испытана в климатической камере для получения большей теплоотдачи при меньшей площади и соответственно меньшем весе изделия. Наличие отверстий на задней стенке радиатора Фондитал позволяет увеличить конвекционный теплообмен, инновационная заглушка радиатора - изделие запатентовано и на все технические нововведения подана заявка на получение патента.

Главной инновацией считается антикоррозионное покрытие радиаторов, позволяющее в разы увеличить срок эксплуатации данного радиатора, а также повысить официальную гарантию до 20 лет.

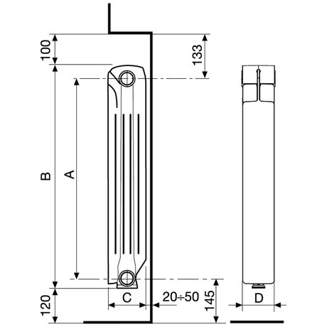
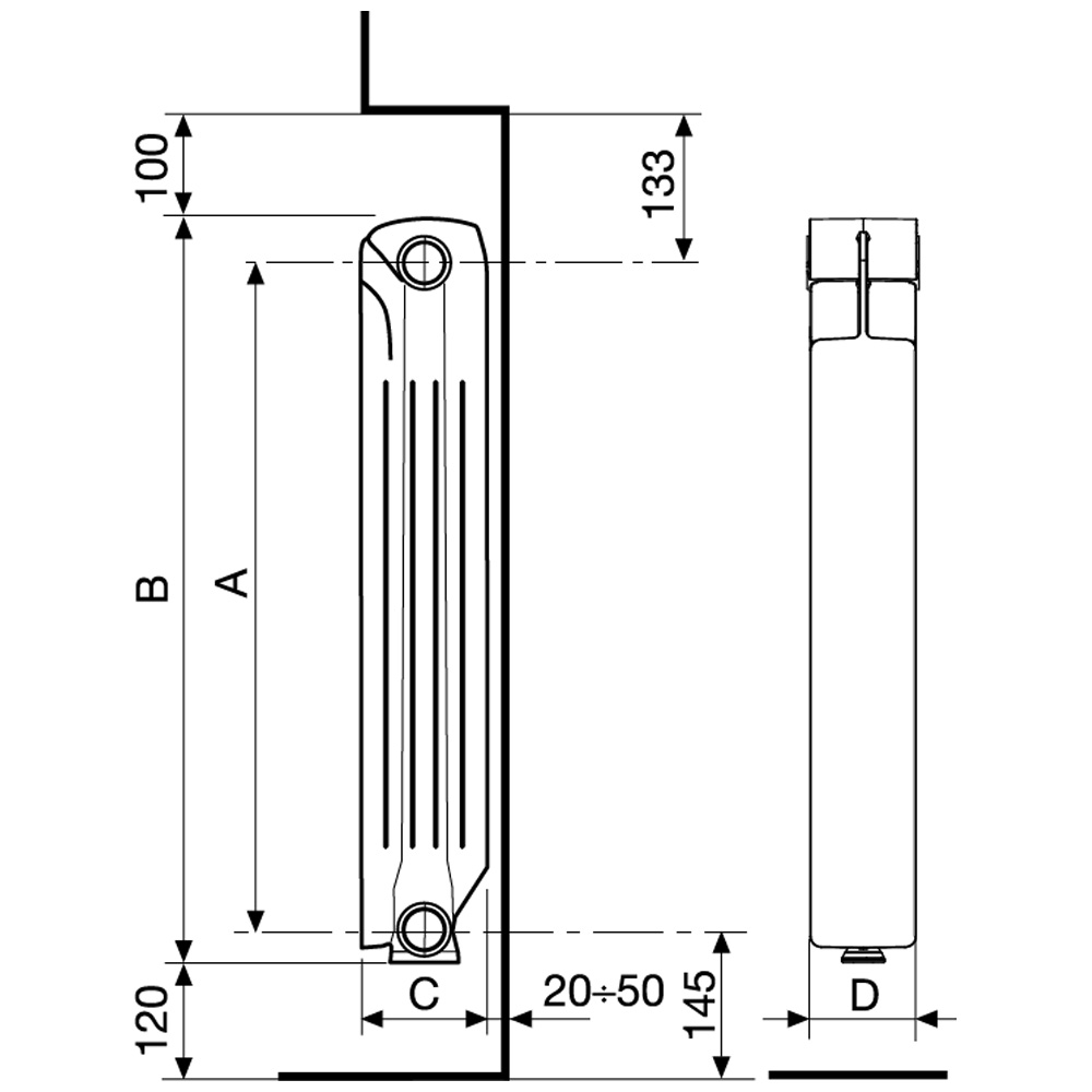
Таблица: Технические характеристики Fondital Aleternum B4

Название модели Высота

Ширина/
Глубина

Длина Межсекционное расстояние Емкость, л Теплоотдача ΔT 50°C, Ватт Теплоотдача ΔT 70°C, Ватт
Fondital Aleternum 350 407 97 80 350 0,2 89,9  137,3
Fondital Aleternum 500 558 97 80 500 0,26  123,8 190,9

Купить алюминиевые радиаторы с доставкой по Киеву можно в нашем магазине Салон Тепла.

Внутреннее покрытие Aleternum® радиаторов Fondital эффективно защищает их от коррозии, которой подвергаются стандартные модели. Для традиционных алюминиевых радиаторов важно поддерживать уровень pH в диапазоне 7–8, поскольку отклонение от этих значений может привести к разрушению металла. В случае стальных радиаторов pH не должно опускаться ниже 8. Благодаря инновационному покрытию Aleternum®, эти ограничения снимаются, что позволяет использовать алюминиевые радиаторы даже в отопительных системах с повышенным уровнем pH, предназначенным для защиты железных элементов, таких как трубопроводы и стальные радиаторы. Более того, в отличие от стальных аналогов, радиаторы Fondital с этим покрытием остаются эффективными и при пониженном уровне pH.

Основные преимущества радиаторов Aleternum B4:

  • 100% итальянское производство
  • Полная защита от коррозии
  • Рабочий диапазон pH - от 5 до 10
  • Выдерживает давление до 60 бар, что делает его отличным выбором для высотных зданий
  • Легкость конструкции и высокая теплоотдача
  • Запатентованная технология (4 международных патента)
  • 20-летняя гарантия с момента установки, распространяющаяся на любые производственные дефекты

Радиаторы Aleternum B4 – это надежное и долговечное решение для современных систем отопления.

Характеристики товара Алюминиевый радиатор Fondital Aleternum B4 350

Бренд:
Fondital
Высота (межось):
350 мм
Глубина:
97
Обогреваемая площадь:
14
Рабочее давление:
16
Секционность:
1
Теплоотдача :
1373Вт
Длина:
800
Цвет:
Белый
Страна Производитель:
Италия
Найти похожие
Отзывы

Отзывы не найдены

Оставить отзыв на этот товар

Поделитесь мнением с другими покупателями

Написать отзыв